
注:經日本TIRROLLER搬運小坦克制造商通知,該型號已停產
?
可選用以下產品:
AL-DUW-RK手搖搬運小坦克(日本DAIKI品牌,載荷5噸10噸,鋁合金框架,整體表面合金鍍層)
DUW-RK手搖搬運小坦克(日本DAIKI品牌,表面合金鍍層,載荷3噸)
DUW-R手搖搬運小坦克(日本DAIKI品牌,普通類型,載荷3噸)
AL-DUW-R手搖搬運小坦克(日本DAIKI品牌,鋁合金框架,載荷5噸、10噸)
WDP手搖搬運小坦克(日本TIRROLLER品牌2噸~10噸,采用電鍍合金)
LHUW手搖搬運小坦克(國產龍升品牌,載荷6噸~18噸)


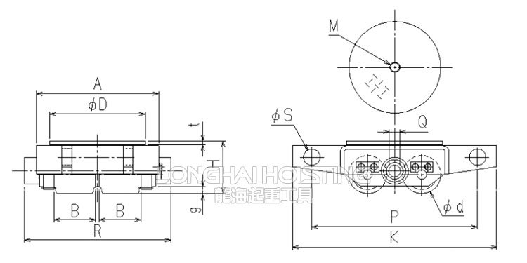
日本TIRROLLER WD-U手搖搬運小坦克介紹:
* 日本TIRROLLER WD-U手搖搬運小坦克可以通過棘輪手柄手動旋轉,也可以手動驅動。
* 日本TIRROLLER WD-U手搖搬運小坦克配有操作手柄,可方便搬運。
* 日本TIRROLLER WD-U手搖搬運小坦克可與設備底腳安全連接,360°全方位移向功能
* 日本TIRROLLER WD-U手搖搬運小坦克采用高品質輪子,具備抗振性能,不損傷地面,可在混泥土地面使用
* 日本TIRROLLER WD-U手搖搬運小坦克可以輕松地前后移動和微調,并且可通過連接液壓驅動單元和液壓單元可以進行液壓操作
* 日本TIRROLLER WD-U手搖搬運小坦克高安全性,耐用的框架和易于維護的結構,轉盤易于在框架頂部改變方向

日本TIRROLLER WD-U手搖搬運小坦克實物:
下圖為WD-5U手搖搬運小坦克實物圖,日本TIRROLLER品牌,我公司承諾:所有該品牌產品均為原裝進口,實物拍攝!



日本TIRROLLER WD-U手搖搬運小坦克應用:
– 對于工廠等設備:
進行裝配過程和進出裝配過程,更改工廠布局,移動和安裝車床,拋光機和平面等
– 用于運輸大型設施:
移動和安裝大型變壓器和鍋爐,移動和安裝空調及污染控制設備等
– 用于房屋建造:
輸送積木,移動鋼制家具等

?