
? 煙臺開發區龍海起重工具有限公司銷售日本TIRROLLER直行搬運坦克車:WB-UA越障礙搬運坦克車,載荷2噸~8噸,體積小,重量輕,但耐用性高和安全性強,提高了工作效率。

日本TIRROLLER WB-UA越障礙搬運坦克車介紹:
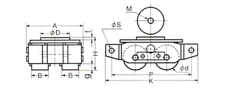
* 日本TIRROLLER WB-UA越障礙搬運坦克車適用于不平整地面設備搬運,頂板傾斜角度為4度(max.)
* 日本TIRROLLER WB-UA越障礙搬運坦克車采用聚氨酯輪子,減少了對地面的刮痕,抗震性能強
* 日本TIRROLLER WB-UA越障礙搬運坦克車耐用的框架設計,易維護,作業安全性高
* 日本TIRROLLER WB-UA越障礙搬運坦克車頂部帶有轉盤設計,轉向靈活方便
* 日本TIRROLLER WB-UA越障礙搬運坦克車廣泛應用于工廠設備的搬運,車間布局的變更,車床、磨床、刨床的移動安裝,變壓器、鍋爐等大型設備的移動,住宅建設中房屋預制板、鋼鐵家具的移動及無塵環境的精密設備搬運等。

日本TIRROLLER WB-UA搬運坦克車為日本TIRROLLER原裝進口產品,保質1年,我公司承諾凡是客戶在我公司訂購的進口類產品均為原裝正品,絕不存在拆件貨,換件貨,假冒品牌產品,凡客戶從我公司訂購日本TIRROLLER產品如收到貨物時發現有拆件貨,換件貨,假冒、假貨仿貨均以100倍金額賠償。
產品選型:
相關產品:
WSP-U搬運坦克車(合金鍍層,清潔環境使用)
產品資料:
直行搬運小坦克產品說明(包括產品結構、輪子、應用及注意事項介紹)