
? 鷹牌EAGLE ED-60C無塵室液壓千斤頂為日本今野制作所制造,屬重工業級別產品,防靜電類型,現由煙臺開發區龍海起重工具有限公司授權代理,可提供代理證明(鷹牌EAGEL千斤頂中國區域授權代理)。

鷹牌EAGLE ED-60C無塵室液壓千斤頂介紹:
* 鷹牌EAGLE ED-60C無塵室液壓千斤頂采用特殊表面處理工藝,不會出現生銹掉漆等現象,適用于食品車間、電子精密設備起頂、半導體、醫療設備、液晶面板制造、核電等環境場所
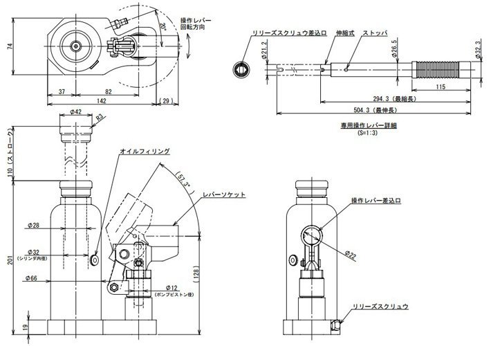
* 鷹牌EAGLE ED-60C無塵室液壓千斤頂安全作業,具有安全閥提高了工作的安全性;高度限位裝置使千斤頂在超出行程安全范圍時,會自動不再頂升
* 鷹牌EAGLE ED-60C無塵室液壓千斤頂旋轉式壓桿插孔,可從各個角度進行操作
* 鷹牌EAGLE ED-60C無塵室液壓千斤頂流暢快速的起升操作,減少了操作千斤頂壓桿的次數
? ED-60C無塵室液壓千斤頂可橫向使用,本體高度為201mm,如果空間有限可選擇ED-60TC無塵室液壓千斤頂,本體高度為148mm

?
? 鷹牌EAGLE ED-60C無塵室液壓千斤頂相比一些國產千斤頂,它的操作更為順暢,更為省力,使用壽命也更長。

![]()
ED-60C無塵室液壓千斤頂為日本鷹牌EAGLE JACK原裝進口產品,保質1年,我公司承諾凡是客戶在我公司訂購的進口類產品均為原裝正品,絕不存在拆件貨,換件貨,假冒品牌產品,凡客戶從我公司訂購日本鷹牌EAGLE JACK產品如收到貨物時發現有拆件貨,換件貨,假冒、假貨仿貨均以100倍金額賠償。
產品選型:液壓千斤頂?
相關產品:ED-60T低型液壓千斤頂(低型設計,可定制ED-60TC類型)
產品資料:液壓千斤頂的工作原理、液壓千斤頂基本操作、液壓千斤頂什么牌子好?、工廠機械設備提升定位液壓千斤頂、橫向使用EAGLE液壓千斤頂、食品廠廠房用鷹牌無塵室千斤頂