
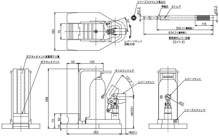
??? 鷹牌EAGLE GU-100多段爪式千斤頂為日本野制作所生產,屬重工業級別產品,爪載荷5噸頂載荷10噸,可按需求調節爪部高度,現授權煙臺開發區龍海起重工具有限公司銷售。

鷹牌EAGLE GU-100多段爪式千斤頂介紹:
* 鷹牌EAGLE GU-100多段爪式千斤頂多段式設計,輔助爪可按照使用要求拆卸,也可按需調節高度,應用場合更廣泛
* 鷹牌EAGLE GU-100多段爪式千斤頂拆卸輔助爪可作為標準型爪式千斤頂使用
* 鷹牌EAGLE GU-100多段爪式千斤頂壓桿左右轉動:方便操作各角度
* 鷹牌EAGLE GU-100多段爪式千斤頂主軸光滑,使用多年不漏油
* 鷹牌EAGLE GU-100多段爪式千斤頂具有防過載功能,當重物超過爪式千斤頂的安全載荷后,千斤頂不會升降。


鷹牌EAGLE GU-100多段爪式千斤頂實物:
下圖為鷹牌EAGLE GU-100多段爪式千斤頂細節展示,我公司承諾凡在我公司購買該品牌產品若發現假貨、仿貨的將以產品貨值的百倍賠償!

![]()
GU-100多段爪式千斤頂為日本EAGEL? JACK原裝進口產品,保質1年,我公司承諾凡是客戶在我公司訂購的進口類產品均為原裝正品,絕不存在拆件貨,換件貨,假冒品牌產品,凡客戶從我公司訂購日本EAGEL? JACK產品如收到貨物時發現有拆件貨,換件貨,假冒、假貨仿貨均以100倍金額賠償。
產品選型:
產品資料: